Selva Naxos 9,9 hv 2t

Selva Naxos 9,9 hv 2t

ViestiKirjoittaja Weikko » 30.04.2018 08:06

Tuommoisen koneen muuttaminen 15 heppasex kiinnostaa mutta eipä netistä löydy räjäytyskuva
josta voisi erot etsiä. Taitaa olla sen verran harvinainen kone että tieto saattaa olla
vaikeasti löydettävissä.

Käykös tähän Selvaan jonkun muun merkin potkurit?
Weikko
 
Viestit: 26
Liittynyt: 30.04.2018 08:01

Re: Selva Naxos 9,9 hv 2t

ViestiKirjoittaja transom » 30.04.2018 20:15

Netin mukaan molemmat ovat samalla iskupituudella, samalla männän halkaisijalla ja samoilla max RPM.

Eli pitäisi olla muunnettavissa. Tietoa siitä, missä kuristus on tehty, en löytänyt.

Prikka kaasarin ja imukaulan välissä? Eri pakoputki?

Joskus on jopa niin yksinkertainen rajoitus, että kaasuläppä ei avaudu täysin auki. Eli siinä rajoitinlevy.

Tuolta löytyy käyttäjän käsikirja

http://manualzz.com/doc/1443453/selva-naxos-owner-s-manual
Ihan se sama transom kuin moottorivene.infossa. Valitettavasti.
transom
 
Viestit: 170
Liittynyt: 04.04.2018 00:08

Re: Selva Naxos 9,9 hv 2t

ViestiKirjoittaja transom » 30.04.2018 20:40

Screenshot_20180430-203006.png
Tuossa
pic01.jpg
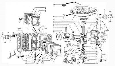
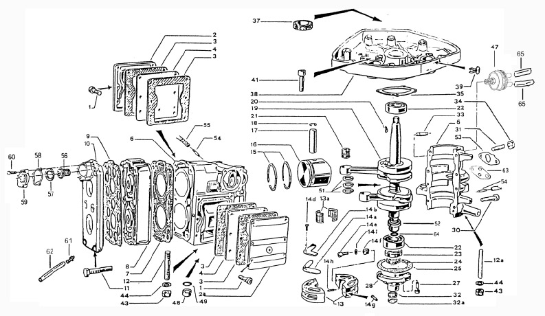
Räjäytyskuva
Tuon
http://www.tskmotors.ru/art/03/

kun luet Google kääntäjän avulla, niin selviää, että kaasarin jälkeen pitäisi olla muovilevy, joka pitää modifioida.
Ihan se sama transom kuin moottorivene.infossa. Valitettavasti.
transom
 
Viestit: 170
Liittynyt: 04.04.2018 00:08

Re: Selva Naxos 9,9 hv 2t

ViestiKirjoittaja Weikko » 01.05.2018 10:41

Kiitos tiedoista...täytyy syventyä lisää koneeseen. Impelleri pitää vaihtaa ja samalla katsoa sitä pakoputkee.
Kuinkahan näissä on vaihdeakselin irooitus vai onko kiertävää mallia?
Weikko
 
Viestit: 26
Liittynyt: 30.04.2018 08:01

Re: Selva Naxos 9,9 hv 2t

ViestiKirjoittaja transom » 01.05.2018 12:39

6a547b1647807a9e61da6607b40c398e.png


Jos vielä on Zongshen pitänyt rakenteen samana, niin tuolta löytyy tietoa:

https://bars.su/catalog/zapchasti/dlya-lodochnykh-motorov/zongshen/zongshen-t9-9bms_1/

Varmaankin siis pultti+mutteri.

Siis en ole itse edes nähnyt missään tuota Selvan moottoria, joten tämä on täysin netistä kaivettua.
Ihan se sama transom kuin moottorivene.infossa. Valitettavasti.
transom
 
Viestit: 170
Liittynyt: 04.04.2018 00:08


Paluu Perämoottorit

Paikallaolijat

Käyttäjiä lukemassa tätä aluetta: Ei rekisteröityneitä käyttäjiä ja 2 vierailijaa

cron